摘要:防水劑是防水性水泥混凝土和砂漿的重要組分。敘述了用于水泥混凝土和砂漿的防水劑的主要品種、性能指標、防水劑應用注意事項、防水混凝土的抗滲等級、設防高度和種類、防水混凝土原材料要求、摻防水劑的水泥混凝土施工過程中需要注意的問題、防水砂漿適用范圍及推薦配合比等內容。
關鍵詞:公路工程;水泥混凝土;防水劑;防水混凝土;防水砂漿
水是導致水泥混凝土結構和鋼筋混凝土結構耐久性損壞的重要物質。無論是水泥混凝土的軟水侵蝕、凍融破壞、堿集料反應、鋼筋銹蝕和硫酸鹽腐蝕等,還是水泥混凝土中的鋼筋氧化腐蝕,甚至水工、港工結構的溶蝕,都離不開水的作用,沒有水的參與,大部分侵蝕幾乎不會產生。防水是提高水泥混凝土結構耐久性的重要措施,甚至是根本措施。可以這么說,防水是水泥混凝土結構耐久性永恒的研究主題。水泥混凝土結構的防水性能基本上決定了其耐久性能。硬化后的水泥混凝土,傳統觀點看來,是一種致密性物質,而實際上,根據當前大量的研究成果,在50年甚至100年的使用要求下,普通水泥混凝土對于水而言,不僅不是致密性的,而且是可滲透的。對于水灰比在0.5-0.7的水泥混凝土,水化以后,其空隙率在16%左右。另外,由于水泥混凝土中骨料與膠凝材料之間可能存在的微裂隙,水分可以不斷深入水泥混凝土中,參與對水泥混凝土或水泥混凝土內鋼筋的腐蝕。為了阻止水分的入侵,提高水泥混凝土結構的抗水侵蝕性能和耐久性能,研究了多種措施,如摻加礦物摻合料的高致密性混凝土、低水膠比混凝土、表面防水涂料和混凝土引氣等。
在水泥混凝土中摻加防水劑,形成致密性混凝土或憎水混凝土以達到防水的目的,也是一種行之有效的技術途徑。本文主要論述工程中經常使用的防水劑種類和性能指標以及使用過程中應該注意的間題和使用方法,供從事相關工作的工程技術人員參考。
1 防水劑的主要品種
防水劑主要分為無機鹽類防水劑、有機類憎水劑和混合物類防水劑。無機鹽類的防水劑主要是能夠增大水泥混凝土密實度或增強憎水性的化學成份。有機類的防水劑主要是一些憎水性表面活性劑、聚合物乳液或水溶性樹脂等,其防水效果較好。無機鹽類防水劑使用時應注意氯離子含量對鋼筋銹蝕的影響,摻加使用的有機物類防水劑應注意對混凝土強度的影響。復合引氣劑,通過引入大量的微細氣泡,隔斷毛細管通道,減少泌水,減少收縮和沉降,也可以減少滲水通道,提高混凝土防水性。主要防水劑分類和種類見表1

2 性能指標
用于公路工程結構中的水泥混凝土防水劑宜滿足一等品的技術指標,而非結構內部本體和在迎水面使用的砂漿可使用合格品,有條件時,易使用一等品。但公路工程重要結構的內部和中間防水層砂漿,如橋面中間防水找平層砂漿等,只允許使用一等品,其性能指標見表2與表3。

注:(1)除凝結時間、安定性為凈漿的試驗結果外,表中砂漿所列數據均為受檢砂漿與基準砂漿的比值。
(2)凝結時間指標“一’,表示提前。

注:第二次抗滲壓力是將第一次6個抗滲試件壓至全部透水,然后,漫水養生28 d,再進行滲透試臉,至第3個試件透水為止,記錄此時壓力減去0. 1 MPa
摻防水劑混凝土和砂漿的性能應符合表2的規定。使用滲透結晶型防水劑和防水涂料的水泥混凝土性能應符合表3的規定。
砂漿防水劑性能檢驗的試驗項目及所需數量應符合表4的規定。

注:試驗時,檢驗一種外加劑的兩批砂漿或凈漿應在同1d內完成。
混凝土防水劑的勻質性指標應符合表5的規定。

防水劑勻質性的檢驗項目,摻加類主要包括:氯離子含量、pH值、表面張力、總堿量;另外,液體防水劑的固含量、密度;粉狀外加劑的細度和不溶物也需要檢驗。
3 防水劑應用注意事項
(1) 防水劑可用于公路工程中有防水抗滲要求的水泥混凝土結構及表面或中間薄層防水砂漿。
(2)含氯鹽的防水劑不得用于鋼筋混凝土結構,嚴禁用于預應力混凝土結構,電解質類防水劑不得用于有雜散電流的鋼筋混凝土和預應力混凝土結構,不宜用于重要的薄壁結構,不宜用于少筋厚大水泥混凝土結構。
(3) 防水混凝土防潮防水,但不耐腐蝕,因此,摻防水劑的混凝土不得單獨用于耐蝕系數小于0.8的受侵蝕防水工程。處在酸、堿、鹽等腐蝕性介質中的防水混凝土,當耐蝕系數小于0.8時,應采取可靠的防腐蝕措施。
4 防水混凝土的抗滲等級、設防高度和種類
防水混凝土的設計抗滲等級應根據水泥混凝土工程埋置深度按表6確定。防水混凝土的抗滲等級是通過素水泥混凝土路面試件試驗測得,而地下工程結構主體中鋼筋密布,將對水泥混凝土的抗滲性有不利影響,為確保地下工程結構主體的防水效果,故將其最低抗滲等級定為不小于S6。即抗滲壓力不小于0.6 MPa。

注:(1)本表適用于N,V級圍巖(土層及軟弱圍巖)。
(2)隧道防水混凝土的設計抗滲等級可按公路隧道的有關規范執行 。
公路防水混凝土工程的設防高度應根據結構物周圍的土質和地下水情況根據經驗參照表7確定。

根據防水混凝土實際達到的密實度、抗滲等級和可能開裂情況,優選下述適宜的防水混凝土種類。
(1)普通防水混凝土抗滲等級較低,適用于一般防水混凝土結構。
(2)引氣防水混凝土抗滲等級中等,適用于嚴寒和寒冷地區中等防水混凝土結構。
(3)減水劑類(普通減水劑、高效減水劑、早強減水劑、早強高效減水劑、緩凝減水劑、緩凝高效減水劑等)防水混凝土抗滲等級較高,適用于鋼筋密集或振搗困難的薄壁防水結構以及對凝結時間和流動性有特殊要求的水泥混凝土結構。
(4)膨脹劑防水抗裂混凝土抗滲等級很高,適用于地下工程、隧道、洞室及結構后澆帶。
(5)防水劑防水混凝土抗滲等級很高,分別適用于下述不同情況:
①三乙醇胺早強防水混凝土,適用于工期緊迫,需早強抗滲的混凝土結構;
②氯化鐵防水混凝土,適用于水中、地下無筋、少筋厚大混凝土結構,砂漿修補抹面;
③滲透結晶型防水混凝土,適用于薄壁且抗滲性要求較高的鋼筋混凝土結構。
公路工程防水混凝土種類應根據實際工程的使用環境、防水抗裂要求、原材料供應、施工密實度、抗滲等級等情況選用。根據一般施工技術水平下可達到的抗滲等級,優選下述適宜的防水混凝土種類:普通防水混凝土;引氣劑防水混凝土;減水劑防水混凝土;膨脹劑防水抗裂混凝土;防水劑防水混凝土。
5 防水混凝土原材料
5.1 防水混凝土所用的水泥
(1)水泥的強度等級不應低于32.5(R),防水劑與水泥具有良好的適應性。硅酸鹽水泥和普通硅酸鹽水泥早期強度高,泌水少,干縮也較小,所以防水混凝土應優先采用。但其抗水性和抗硫酸鹽侵蝕能力不如火山灰硅酸鹽水泥。火山灰硅酸鹽水泥抗水性好,水化熱低,抗硫酸鹽侵蝕能力較好,但早期強度低,干縮大,抗凍性較差。礦渣硅酸鹽水泥水化熱較低,抗硫酸鹽侵蝕能力好,但泌水多、干縮大,抗滲性差。在不受侵蝕介質和凍融作用時,宜采用硅酸鹽水泥、普通硅酸鹽水泥、火山灰硅酸鹽水泥、粉煤灰硅酸鹽水泥、礦渣硅酸鹽水泥,使用礦渣硅酸鹽水泥時應摻用高效減水劑。
(2)在受侵蝕介質作用時,應按侵蝕介質的性質選用相應的水泥。如有抗硫酸鹽要求時,可選用抗硫酸鹽水泥。
(3)在受凍融作用時,應優先選用硅酸鹽水泥、普通硅酸鹽水泥,不宜采用火山灰硅酸鹽水泥和粉煤灰硅酸鹽水泥。
(4)不得使用過期或受潮結塊的水泥,并不得將不同品種或強度等級的水泥混合使用。
5.2 防水混凝土所用的粗集料
對于公路行業薄壁防水結構,如薄壁箱梁等,最大粒徑不宜大于26.5 mm,宜采用4.75一26.5 mm連續級配的粗集料,普通混凝土墩柱構件,最大粒經可放寬至31.5 mm,宜采用連續級配。大體積混凝土使用的粗集料可按溫控的要求確定。泵送時其最大公稱粒徑應為輸送管徑的1/4;吸水率不應大于1.5 %,可滿足防水混凝土抗凍性的要求;不得使用堿活性集料,以免在內部有滲透水的情況下發生堿集料反應。粗集料級配宜符合文獻[1]的規定;其他技術要求應符合文獻[幻的規定。
5.3 防水混凝土所用的細集料
宜采用中砂,并應含一定量粉細砂,提高密實性,保證其抗滲性,其技術要求應符合文獻[3]的規定。
6 摻防水劑混凝土配合比設計
做好防水混凝土的前提是必須充分了解和認識其防水原理,所謂防水,就是要能夠在一定的水壓力下水不滲透。即水泥漿和砂漿較飽滿使粗集料被密實結構包裹才不透水,特別是保證結構物迎水面的密實度、無微裂縫才能防止水分滲透。如果水泥混凝土材料結構和擋水工程結構的表面一定厚度切實保證了其密實度和無微裂縫,即使不摻防水劑的普通水泥混凝土,也具有相當高的抗滲性,達到S1。沒有問題。此時,再摻用防水劑等外加劑,將達到更高的抗滲等級。但是若防水混凝土原材料、配合比和結構方面的密實度沒有做到,則防水劑沒有效果。從水泥混凝土防水原理講,以下配合比要點需特別強調。
(1)達到足夠高抗滲性要求的防水混凝土必須是富漿混凝土,因此規定如果僅用水泥,不加摻合料時,最小水泥用量不應少于320 kg/m3。但水泥用量過大不利于控制溫升,防止溫差開裂,此時,需要摻用一定數量的粉煤灰、磨細礦渣等摻合料。粉煤灰級別應為I,1級,1級粉煤灰干縮增大,為了防止干縮開裂不應在防水混凝土中使用。粉煤灰摻量一般不宜大于2000,特殊情況下既保證強度和防水要求,又能防止開裂時,可使用較大的粉煤灰摻量。摻合料的摻量應通過試驗優選確定。使用摻合料時,為了達到防水混凝土結構的強度要求,最小基準膠材總量不應少于280k g/m3。
(2)防水同時要求混凝土砂率足夠高,砂漿的體積率應足夠,因此要求砂率為3500~4000,一般不宜小于3500。泵送防水混凝土要滿足防水和泵送兩項要求,其砂率可增至45%。引氣型防水混凝土有利于提高抗滲性,其砂率視含氣量大小可略低,宜為28%-35% ,防水混凝土灰砂比宜為1:2-1:2.5,必須加以驗證。高膠材、大砂率富砂漿的混凝土,防水抗滲性提高了,但干縮變形卻增大了,抗裂性變差。水泥混凝土結構一旦開裂,即使是微裂縫,防水性及強度等性能將嚴重劣化。因此,在保障結構抗滲等級要求前提下,公路工程的防水薄壁結構宜采用偏低的砂率。
(3)防水混凝土最大水灰(膠)比應符合表8的規定,適宜的水灰(膠)比在0.45-0.55之間。水灰(膠)比與抗滲性及強度是反比關系,要提高混凝土的防水性能;必須降低水灰(膠)比,而滿足低水灰(膠)比要求,則需摻減水劑或高效減水劑。實際工程對防水混凝土的要求是防水和強度同時滿足,不得隨意提高水灰(膠)比,亦不得隨意降低單位水泥用量。

(4)普通防水混凝土坍落度不宜大于50m m。采用預拌泵送防水混凝土時,入泵坍落度宜控制在(120士20)mm,入泵前損失值不應大于30 mm/h,坍落度總損失值不應大于60 mm,
(5) 由于抗滲壓力是試驗室得出的數據,而施工現場條件比試驗室差,其影響水泥混凝土抗滲性的因素有些難以控制,防水混凝土的施工試配抗滲等級S應比設計值提高一級,即抗滲壓力比設計要求高0.2 M Pa,以保證實際的抗滲性能。
(6) 為了達到工程要求的防水混凝土抗滲性,在其中摻用外加劑是必需的,在鋼筋密布情況下需要摻入減水劑和高效減水劑,以保證水泥混凝土具有足夠的和易性和振搗后的密實度;同時有抗(鹽)凍,性要求時,宜摻引氣劑或引氣型外加劑,以在混凝土內部產生大量的相對密閉的微孔隙;在有抗裂性要求時,可摻膨脹劑以減小水泥混凝土收縮。外加劑的品種和摻量應經過試配試驗確定,防止亂用。
(7)防水混凝土摻引氣劑或引氣型外加劑時,防水混凝土拌和物的含氣量控制值及允許誤差是引氣劑防水混凝土配合比設計中必要的拌和物參數。應符合相關的規定。
(8)采用預拌防水混凝土時,需摻適宜的緩凝劑進行控制,以滿足混凝土運輸和澆筑施工時間的要求,緩凝時間宜控制為6-8 h,
7 摻防水劑的混凝土施工
根據混凝土防水的原理,防水混凝土施工要注意以下要點,保障滿足抗滲性及其他質量性能。
(1)防水劑品種及摻量應按混凝土結構所要求的防水性能,參考廠家的推薦摻量,通過試配優選確定。有些防水劑,如皂類防水劑,脂肪族防水劑超量摻加時,引氣量大,會形成較多氣泡的拌和物,反而影響強度與防水效果,超過推薦摻量時必須通過試驗。
(2)防水劑應準確稱量,不得使用體積法計量。防水劑、水、水泥、摻合料計量允許誤差不應大于士1%;粗、細集料計量允許誤差不應大于士2%.
(3)摻防水劑的混凝土大、中型公路結構工程,混凝土拌和應采用有計算機自動控制的強制式攪拌樓,混凝土攪拌樓應符合《混凝土攪拌站(樓)分類》(GB 10171一88),(混凝土攪拌站(樓)技術條件》(GB 10172-88)的規定。對于混凝土方量較少的小型公路工程結構,‘允許使用具備所有原材料稱量裝置的強制式攪拌機拌和,但應延長攪拌時間10-30 s。嚴禁使用手工拌制。可溶性防水劑及其他外加劑均應以溶液加入,并從用水量中扣除其溶解水量,如氯鹽類的氯化鐵、三氯化鋁防水劑等。
(4)為保證防水混凝土拌和物的勻質性,要求必須采用機械拌和,攪拌時間不應少于2 min。摻防水劑等外加劑時,應通過試拌確定適宜的攪拌時間。
(5)防水混凝土拌和物在運輸后如出現離析,需要進行二次攪拌。當坍落度損失后不能滿是施工要求時,應二次摻加外加劑進行拌和;無抗裂要求時,可加入原水灰比的水泥漿,嚴禁直接加水,防止改變水膠比。
(6)澆筑宜連續一次完成,防水混凝土應使用高頻機械振搗密實,振搗時間宜為10-30 s,以混凝土泛漿和不冒氣泡為準,應避免漏振、欠振和超振。摻引氣劑或引氣型外加劑時,應采用高頻插入式振搗器振搗。防水混凝土的迎水面必須振搗密實,以防出現欠密實情況。
(7)應加強早期保濕養生,不同氣溫條件下的濕養生天數應適當延長,摻氯化鐵、引氣劑、膨脹劑的防水混凝土養生溫度不宜低于15,C,也不宜高于80'C。拆模時的混凝土溫度與環境氣溫差不宜大于15'C ,混凝土溫度大于環境溫度15'C時,應灑水降溫,達到允許溫差后再拆模,并在拆模后繼續覆蓋保溫保濕養生。
(8) 防水混凝土所處環境的耐蝕系數大于0.8時,應根據腐蝕類別采取相應的防腐蝕措施。
(9) 根 據 公路工程防水混凝土結構施工經驗,規定防水混凝土不宜進行低溫施工,不得進行負溫施工。確有冬季負溫施工需要時,宜采用暖棚保溫施工。
8 防水砂漿適用范圍及配合比
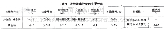
(1)對用于承受沖擊、振動、疲勞動載的地上和地下的公路工程的防水砂漿以及受腐蝕和凍融循環的公路砌體結構中的防水砂漿,首推聚合物改性水泥防水砂漿。其性能應符合表9的規定,配合比可參考表10,


(2)防水砂漿厚度有限,適用于不因結構沉降、溫度、濕度變化及受振動等產生裂縫、厚度較薄、易脫落的公路工程地上和地下防水結構。
(3)水泥砂漿防水層的原材料、設計和施工技術要求應符合文獻[4]第4.2節的規定。
(4)防水砂漿宜摻入外加劑、摻合料、聚合物等進行改性,改性防水砂漿的性能應符合表11的規定。

9 結語
在水泥混凝土中摻加防水劑是水泥混凝土結構有效防水的重要技術手段,同其他外加劑一樣,如果使用不合理,則可以降低水泥混凝土強度和彈模等力學指標,或者提前誘發和加速了水泥混凝土中軟水侵蝕、凍融破壞、堿集料反應、鋼筋銹蝕和硫酸鹽腐蝕等,降低結構耐久性能,成為水泥混凝土結構中的水誘發病害。因此,在使用時必須認真選擇防水劑品種,正確合理地使用,真正起到結構防水、耐久的效果。
參考文獻:
[1] JC47 4- 1999, 砂漿 、混凝土防水劑[S].
[2]GB18445-2001,水泥基滲透結晶型防水材料[S].
[3] JTGF 30-2003,公路水泥混凝土路面施工技術規范[S ].
[4] GB/T14685-2001,建筑用卵石、碎石[S].
[5] GB/T14684-2001,建筑用砂[S].
[6] GB5 0108-2000,地下工程防水技術規范[S].
[7] GB50119-2003,混凝土外加劑應用技術規范[S].
















