摘要:研究了引氣劑對硬化混凝土強度和氣泡特征參數的影響規律。結果表明:適宜的含氣量不會對混凝土的抗壓強度產生較大影響,但卻使氣泡間隔系數大大降低,從而極大提高了其抗凍性能。引氣劑品種對新拌混凝土含氣量與硬化混凝土含氣量的相關性、硬化混凝土氣泡間隔系數會產生顯著影響,僅通過測定新拌混凝土含氣量來評價抗凍質量,可能會出現較大偏差。
關鍵詞:混凝土; 引氣劑; 抗壓強度; 氣泡特征; 抗凍性
20世紀90年代以來,我國水泥混凝土路面得到了前所未有的迅猛發展,截至2005 年底,我國有鋪裝路面53. 27 萬公里,其中水泥混凝土路面30. 66 萬公里,約占58 %[1 ] 。但在不少高寒和寒冷地區,水泥混凝土路面凍害相當嚴重,造成了巨大的經濟損失。摻加引氣劑使硬化混凝土具有合理的氣泡結構是提高其抗凍性最有效的措施,但目前道路混凝土中引氣劑的應用并不普遍。究其原因,除擔心引氣劑會過多降低混凝土的強度,還主要與我國引氣劑品牌眾多,質量良莠不齊,應用中經常出現質量問題有關[2 ] 。表征硬化混凝土氣泡結構特征的參數主要有3 個,即含氣量、平均氣泡徑和氣泡間隔系數,其中氣泡間隔系數最為重要[3 ] 。因此,該文選取國內常用的5 種引氣劑,通過試驗研究了含氣量、引氣劑品種對硬化混凝土強度、氣泡特征參數的影響規律,以期對推廣應用引氣劑、提高混凝土路面的抗凍耐久性有所裨益。
1試驗
1. 1原材料
水泥:北水京都42. 5 級普硅水泥;粗集料:5 —25 mm 連續繼配碎石,石粉含量0. 4 % ,壓碎指標5. 5 %;細集料:細砂,細度模數1. 0 ,屬特細砂;機制砂,細度模數3. 5 ,屬Ⅰ區粗砂;粉煤灰:山東德州華能Ⅰ級低鈣粉煤灰;減水劑:SHP21 緩凝型減水劑;引氣劑:A(皂素類引氣劑,非離子型表面活性劑,主要成份三萜皂甙,褐色粉劑) ,B(松香類引氣劑,陰離子表面活性劑,主要成份改性松香酸鹽,棕色液體) ,C(烷基磺酸鹽類引氣劑,陰離子表面活性劑,主要成份十二烷基苯磺酸鈉,白色粉劑) ,D(松香類引氣劑,陰離子表面活性劑,主要成份松香熱聚物,液體) ,E(松香類引氣劑,陰離子表面活性劑,主要成份改性松香酸鹽,液體。

1. 2配合比
分別采用0. 60 、0. 50 、0. 40 、0. 30 的水膠比,配合比設計如表1 所示。試件采取統一成型制度( 振動臺15 —20s) , 設計含氣量為0 % —2 %(基準, 不摻引氣劑) 、3 % —4 %、4 % —5 %、5 % —6 % 4 個等級。測定新拌混凝土含氣量,硬化混凝土28 d 抗壓強度,硬化混凝土的氣泡特征參數。
1. 3方法
1) 含氣量與抗壓強度 參照《公路工程水泥及水泥混凝土試驗規程(J TG E30 —2005) 》的相關規定進行, 新拌混凝土含氣量使用SAN YO 直讀式含氣量測定儀測定,抗壓強度采用邊長為100 mm 的立方體試件。
2) 硬化混凝土氣泡特征參數 采用MIC2840201 型硬化混凝土孔隙結構測定儀,該設備為我國首次引進,能自動測定硬化混凝土的氣孔特征參數,減少測試中的人工誤差,提高精度和速度。其測試面積為60 mm ×60 mm ,圓形度值取0. 60 ,像素刪除標準值取10 ,閾值取200 左右。該設備的組裝配置如圖1 所示。將混凝土試件標養28 d ,切割成厚度為1 —2 cm 試樣,表面經研磨、清潔并涂熒光劑,將試樣表面的熒光劑仔細研磨掉,僅使氣孔中充滿熒光劑,用于氣泡特征參數測定。

2引氣劑對混凝土抗壓強度的影響分析
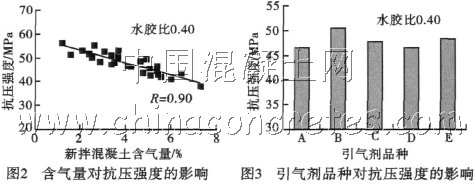
我國許多混凝土設計規范都是以強度作為指標,摻用引氣劑會使混凝土抗壓強度下降成為工程技術人員的顧慮。由圖2 可見,硬化混凝土抗壓強度隨含氣量的增加線性下降,基本上每增加1 %的含氣量,抗壓強度降低4 % —5 %。但當含氣量小于4 %時,抗壓強度損失均在15 %以內。實踐表明,通過適當降低水灰比、增加水泥用量等措施可輕而易舉的補償含氣量造成的強度損失,卻能使混凝土的抗凍性能成倍提高。適宜的含氣量還可以改善混凝土的界面特性,提高抗折強度,這對道路混凝土具有更重要的實用價值[4 ] 。
由圖3 還可看到,在新拌混凝土含氣量相同(4. 0 % ±0. 5 %) 條件下,摻不同品種引氣劑混凝土的28 d抗壓強度差別不大。這是因為混凝土的強度主要取決于水灰比和水泥用量,雖然不同品種引氣劑引入的氣泡尺寸和分布有所不同,但這種差異對混凝土強度的影響并不明顯。

3引氣劑對混凝土氣泡特征參數的影響分析
3. 1新拌混凝土含氣量與硬化混凝土含氣量
如圖4 所示,摻引氣劑A、B、D、E 的混凝土拌和物含氣量與硬化混凝土含氣量具有很高的相關性,相關系數可達到0. 90 、0. 87 、0. 84 和0. 91 ,而使用引氣劑C 的混凝土則不存在相關性。可見,引氣劑品種對新拌混凝土含氣量與硬化混凝土含氣量的相關性具有顯著影響。目前工程中普遍通過測定新拌混凝土含氣量來控制抗凍質量,受引氣劑品種與質量的影響,這可能會出現較大偏差。建議對選用的引氣劑進行新拌混凝土含氣量與硬化混凝土含氣量的相關性檢驗。

3. 2硬化混凝土氣泡間隔系數
1) 含氣量對氣泡間隔系數的影響 圖5 顯示了水膠比為0. 40 時含氣量對混凝土氣泡間隔系數的影響(不包含引氣劑C) 。可看到,含氣量和氣泡間隔系數的關系,與許麗萍等收集國外資料的數據進行回歸得到的指數關系有所不同[5 ] 。摻加引氣劑可使硬化混凝土的氣泡間隔系數大大降低,非引氣混凝土的氣泡間隔系數高達560μm ,而含氣量在3 %時,氣泡間隔系數即減小到250μm 左右,基本可滿足混凝土路面在凍融環境下對氣泡間隔系數的要求[6 ] 。當新拌混凝土含氣量大于4 %時,氣泡間隔系數隨含氣量增加而減小的趨勢則趨于平緩,因此,含氣量的控制不宜過高,應在一個合理范圍內。

2) 引氣劑品種對氣泡間隔系數的影響 由圖6 可見,雖然新拌混凝土含氣量相同(4 % ±0. 5 %) ,但使用不同品種引氣劑混凝土的氣泡間距系數有明顯差別。筆者認為,這主要與引氣劑引入的氣泡體系穩定性不同有關。圖7 顯示了新拌混凝土含氣量相同(4 % ±0. 5 %) 條件下,使用不同品種引氣劑的硬化混凝土含氣量差別很大,摻加引氣劑C 的混凝土硬化后含氣量僅為1. 892 % ,相當于使用引氣劑E 的50 % ,這是造成摻引氣劑C 的混凝土氣泡間隔系數偏大的主要原因。目前,我國引氣劑品牌眾多,質量差異較大,僅通過引氣劑本身的理化指標或消泡時間來評定其質量顯然不能滿足要求,應盡快建立起與摻引氣劑混凝土性能密切相連的質量評價體系,這對推廣優質引氣劑的使用具有重要意義。

3. 3 硬化混凝土平均氣泡直徑
由圖8 可見,新拌混凝土含氣量相同(4 % ±0. 5 %) 條件下,使用不同品種引氣劑混凝土的平均氣泡直徑差別不大。試驗表明,平均氣泡直徑主要受水灰比的影響,如圖9 所示,含氣量相同時,水灰比越大,則混凝土的平均氣泡直徑越大。

硬化混凝土含氣量一定時,平均氣泡直徑越小,則氣泡間隔系數越小。但前面的試驗結果表明,新拌混凝土含氣量相同條件下,使用不同品種引氣劑的硬化混凝土含氣量差別很大。使用引氣劑C 的混凝土平均氣泡直徑較小,但由于硬化后含氣量偏低,導致氣泡間隔系數仍然很大。可見,僅通過平均氣泡直徑并不能很好的反映氣泡結構的優劣。
4結論
a. 硬化混凝土的抗壓強度隨含氣量的增加線形下降,但當含氣量小于4 %時,抗壓強度損失均在15 %以內。
b. 氣泡間隔系數隨含氣量的增加而減小,但并不是指數關系。當含氣量大于4 %時,氣泡間隔系數的減小趨勢會趨于平緩。
c. 引氣劑品種對新拌混凝土含氣量與硬化混凝土含氣量的相關性,硬化混凝土的氣泡間隔系數有顯著的影響。僅通過測定新拌混凝土含氣量來評價抗凍質量,可能會出現較大偏差。
d. 平均氣泡直徑主要受水灰比的影響,僅通過平均氣泡直徑并不能很好的反映氣泡結構的優劣。
參考文獻:
[1]中華人民共和國交通部. 2005 年公路水路交通行業發展統計公報[J ] . 交通世界,2006 ,(5) :25227.
[2]張春林,李彥昌,楊榮俊. 引氣劑質量對混凝土性能的影響[J ] . 市政技術,2004 ,22 (1) :53254.
[3]吳學禮,楊全兵,朱蓓蓉,等. 混凝土抗凍性的評估[J ] . 混凝土, 1999 , (6) :9212.
[4]傅智. 水泥混凝土路面滑模施工技術[M] . 北京:人民交通出版社,2001.
[5]許麗萍,吳學禮. 抗凍混凝土的設計[J ] . 上海建材學院學報,1993 ,6 (2) :1122123.
[6]交通部公路科學研究院. J TG F3022003 公路水泥混凝土路面施工技術規范[ S] . 北京:人民交通出版社,2004.
















