[摘要] 本文選擇目前市場上3 種較具代表性的聚羧酸外加劑,針對12 個不同廠家品種的水泥樣品,進行水泥凈漿流動度和有關混凝土性能試驗,比較聚羧酸外加劑與不同水泥的相容性;同時,在水泥不同熟化時間和不同溫度狀態條件下,對摻用聚羧酸外加劑的水泥凈漿和混凝土性能變化進行了試驗研究。根據試驗結果,聚羧酸外加劑在拌制水泥漿尤其是混凝土的性能表現,受所用水泥品質和使用時水泥的溫度影響。
[關鍵詞] 水泥凈漿;聚羧酸外加劑;溫度;熟化時間;流動度;相容性;混凝土.
[中圖分類號] TU528.42 [文獻標識碼] A [文章編號] 1002-3550-(2006)04-0034-06
1 前言
近幾年,聚羧酸系減水劑作為第三代新型混凝土高效減水劑,因相對于萘系高效減水劑具有高減水率、低收縮、高強度、低泌水和坍落度損失小等性能優點,其生產和應用技術發展很快。目前,國內從事聚羧酸外加劑研發、生產、供貨的單位有幾十家,主要產品達十幾種。北京、上海、天津、廣州等城市的許多預拌混凝土攪拌站,都已經應用或正在嘗試使用聚羧酸外加劑配制混凝土。起初,聚羧酸外加劑主要用于配制高強、自密實、高流態等特種和高性能混凝土。現在,隨著聚羧酸外加劑生產和應用技術不斷提高,產品逐漸系列化和成本逐漸降低,聚羧酸外加劑同樣可用于配制中低強度的高性能混凝土。國內目前混凝土生產使用的聚羧酸外加劑,還主要以西卡、麥斯特等國外品牌產品為主;但隨著國產聚羧酸外加劑產品性能不斷改進,其應用也越來越多。隨著聚羧酸外加劑的推廣應用,對其性能特點的認識也不斷深化,即聚羧酸外加劑同樣也存在與混凝土其它材料( 尤其水泥)的適應性問題。了解不同聚羧酸外加劑產品和不同水泥品種的相容性特點,對正確使用和充分發揮聚羧酸外加劑的性能有重要意義。
該項試驗選取目前北京地區預拌混凝土生產常用的幾種有代表性的水泥和聚羧酸外加劑產品,進行有關水泥凈漿和混凝土性能的對比試驗,比較聚羧酸外加劑對水泥不同品種和不同狀態的適應性,為更好地推廣和應用聚羧酸外加劑提供參考。
2 試驗用原材料
2.1 聚羧酸外加劑
選擇目前國內市場較具代表性的3 種聚羧酸外加劑產品,其中包括兩種國外品牌產品和一種國內品牌產品。三種外加劑的有關技術參數試驗結果列于表1 中。

2.2 水泥
選用北京地區預拌混凝土生產常用的國內6 個不同廠家生產的共12 種水泥樣品,P.O32.5 和P.O42.5 各6 種。各種水泥的有關物理參數試驗結果列于表2。
2.3 砂、石、粉煤灰
表3、表4、表5 分別是試驗所用砂、石、粉煤灰的有關參數。
3 水泥凈漿試驗
3.1 試驗方法

水泥凈漿試驗依據GB/T8077-2000 規定的方法進行。水灰比取0.35。凈漿出機后靜停15 分鐘測試流動度損失。外加劑按液體重量計量。
3.2 試驗結果及分析
(1)三種外加劑與各種水泥的適應性試驗對比表6 是外加劑摻量不變條件下,各種水泥與三種外加劑配制的水泥凈漿試驗結果。3 種外加劑的試驗摻量分別是:西卡1.0%,冶建2.0%,麥斯特1.6%。在后面的各項水泥凈漿試驗中,除另外說明,上述外加劑摻量保持不變。根據表6 試驗結果:
① 西卡外加劑:多數水泥配制的水泥凈漿具有較好的初始流動性,漿體沒有出現沉底和泌漿現象;除鼎新P.O32.5 和P.O42.5 水泥外,其余所有水泥配制的水泥凈漿靜停15min 后,流動度均有不同程度的損失。
② 冶建外加劑:除琉璃河水泥凈漿流動度相對較小外,其他多數水泥的凈漿流動度過大,在290mm-330mm 范圍,且有泌水沉底現象。而且,各種水泥凈漿靜停15min 后,除個別水泥出現凈漿流動度損失外,多數水泥都出現了流動度增加的情況。分析原因,這與外加劑摻量達到過飽和有關。
③ 麥斯特外加劑:除拉法基P.O42.5 和冀東P.O42.5 兩種水泥的凈漿流動度在260mm-280mm 范圍,其余10 種水泥凈漿流動度均在310mm-340mm 范圍,且靜停15min 后,流動擴展度變化較小。因此,對于水灰比0.35 的水泥凈漿,麥斯特外加劑1.6%摻量同樣顯得過多。

(2)水泥溫度對水泥凈漿流動性能影響

分別將水泥控制在25℃、50℃和70℃,比較不同水泥溫度對聚羧酸外加劑適應性。該組試驗選用冶建外加劑。
圖1 和圖2 是摻用冶建聚羧酸外加劑后,12 種水泥在25℃、50℃、70℃三種溫度狀態,水泥凈漿試驗的初始流動度和流動度損失試驗結果對比曲線。可以看出,水泥溫度對各種水泥凈漿的初始流動度影響不大,但隨著水泥溫度升高,凈漿流動度損失除個別水泥外,總體上呈增大趨勢。
(3)水泥出磨時間對水泥凈漿流動性能影響針對京都P.O32.5 和拉法基P.O42.5 兩種水泥,分別測試

其出磨1 天、出磨后7 天及1 個月的摻聚羧酸外加劑水泥凈漿流動度變化情況。

圖3- 圖6 分別是對京都P.O32.5 和拉法基P.O42.5 兩種水泥出磨1 天、7 天和1 個月三種情況下的水泥凈漿試驗結果。可以看出,對應于三種聚羧酸外加劑,兩種水泥隨出磨后熟化時間延長,除麥斯特外加劑與出磨后1 個月的京都P.O32.5水泥結合時,凈漿流動度結果差異較大外,其他各組試驗的水泥凈漿初始流動度和靜停流動度損失變化值都不大,也沒有呈現明顯的規律性變化特征。
4 混凝土試驗
4.1 配合比及試驗方法
混凝土試驗的配合比如表7 所示,其中P.O32.5 水泥的混凝土試驗均采用1# 配合比,P.O42.5 水泥的混凝土均采用3#配合比。各種混凝土試驗測試方法依據國家現行普通混凝土拌合物和力學性能試驗標準。

另外,根據試驗結果,混凝土含氣量值與所用水泥品種有關。琉璃河水泥配制的混凝土含氣量較高,能夠達到2.0%以上,這也可能其混凝土和易性能較好的主要原因。
(2)三種P.O42.5 水泥與三種不同聚羧酸外加劑對比試驗分別選用北京京都、興發拉法基和北京琉璃河的P.O42.5水泥。相對于每種外加劑品種,三種水泥采用相同的外加劑摻量。試驗時,調整用水量使各組試驗的混凝土出機坍落度盡可能一致。試驗結果如表9 所示。
根據表9 試驗結果,三種水泥相比,琉璃河水泥配制的混凝土和易性較好,且1 小時后混凝土和易性保持良好。每組試驗混凝土的靜停1 小時后坍落度損失普遍小于C30 混凝土,除與水泥品種有關,這可能與聚羧酸外加劑的摻量相對較高有關。
比較三種外加劑,基于相應的試驗摻量,冶建外加劑的混凝土減水率較大,這與前面水泥凈漿的試驗結果是一致的;而麥斯特外加劑混凝土坍落度損失較快,尤其與拉法基P.O42.5和京都P.O42.5 水泥結合時,靜停1 小時后,混凝土幾乎失去流動性。
從圖表10—圖表12 的對比分析結果看,水泥品種和外加劑品種變化對混凝土早期和后期強度影響不大,但C60 強度等級的各種聚羧酸外加劑混凝土后期強度增長仍比較明顯。這說明,在配制高強度等級的混凝土時,聚羧酸外加劑比萘系外加劑對混凝土后期強度的發展作用更大。
(3)水泥出磨時間對混凝土性能的影響針對拉法基P.O42.5 和京都P.O32.5 兩種水泥,在水泥剛出磨1 天和出磨后7 天、1 個月三種情況下,比較摻聚羧酸外加劑混凝土的性能變化。試驗均摻用冶建聚羧酸外加劑。有關試驗結果列于表10 中。
表10 中的試驗結果表明,對應于京都P.O32.5 和拉法基P.O42.5 兩種水泥,冶建外加劑2.0%和2.6%的摻量,不能有效緩解新出磨水泥的坍落度損失,其靜停1 小時后的坍落度損失都在60%以上。根據試驗結果,相比剛出磨1 天和出磨后7 天、1

個月的水泥三種不同情況,用聚羧酸外加劑配制的混凝土和易性和坍落度保持性能,沒有呈現明顯的規律性,這與前面的水泥凈漿試驗結果也基本是一致的。對比混凝土抗壓強度的試驗結果,則可以看出,新出磨1 天和出磨后7 天、1 個月水泥配制的混凝土抗壓強度差別不大,但總體變化趨勢比較明顯,即隨水泥出磨后庫存時間延長,混凝土的3 天、7 天和28 天抗壓強度都呈下降趨勢。
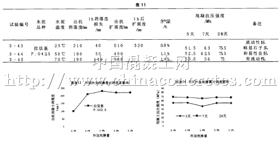
(4)水泥溫度對混凝土性能的影響表11 是興發拉法基P.O42.5 水泥和冶建聚羧酸外加劑( 摻量為2.8%),在25℃、50℃、70℃三種水泥溫度條件下,混凝土試驗的結果。
從表11 的試驗結果可以看出,水泥溫度對混凝土坍落度損失影響較大。混凝土初始坍落度及坍落度保持性能,隨著溫度的升高而降低。水泥70℃時,出機混凝土靜停1 小時后幾乎完全失去工作性;而水泥25℃時,靜停1 小時后坍落度損失率不到20%。根據表11 試驗結果,隨著水泥溫度升高,聚羧酸外加劑混凝土的3 天強度略有增加;而水泥溫度對混凝土的后期強度影響不大。
(5)聚羧酸外加劑摻量變化對混凝土性能影響圖表13- 圖表14 是興發P.O42.5 水泥和冶建聚羧酸外加劑,在不同外加劑摻量時,混凝土試驗的分析結果。根據圖表13的試驗分析結果,隨著聚羧酸外加劑摻量增加,混凝土坍落度呈增長趨勢。在低混凝土坍落度范圍,增加外加劑摻量對提高混凝土出機坍落度的效果比較明顯;當出機坍落度達到200mm以上后,增加聚羧酸外加劑用量對提高坍落度效果不大,但可以繼續提高混凝土流動性和坍落度保持性能。而且,試驗結果

表明,如果聚羧酸外加劑摻量過飽和,混凝土也容易出現泌漿和沉底現象。這類似于萘系高效減水劑的情況,只是情況稍好一些。圖表14 的試驗分析結果表明,在水膠比確定條件下,聚羧酸外加劑的摻量變化對混凝土早期和后期抗壓強度影響不大。
5 試驗結論
1 對于目前北京地區常用的12 種水泥,所試驗的西卡、冶建和麥斯特三種外加劑樣品,其水泥凈漿流動度試驗結果( 個別水泥例外)具有較好的穩定性,離散不大。這在一定程度上反映了聚羧酸外加劑與不同水泥相對較好的適應性。但聚羧酸外加劑對每種水泥仍然存在最佳適應性調整問題。
2 與萘系高效減水劑相比,聚羧酸外加劑混凝土早期和后期強度均增長較快,尤其高強混凝土的后期強度增長更加明顯。對于不同水泥品種,聚羧酸外加劑混凝土的強度發展規律基本一致。
3 在所試驗的水泥溫度范圍內,隨著水泥溫度升高,水泥凈漿流動度和混凝土坍落度損失加快;同時,隨著水泥溫度升高,聚羧酸外加劑混凝土3 天強度略有增加,而混凝土的后期強度變化很小。
4 水泥出磨時間變化對水泥凈漿流動度和混凝土出機工作性能沒有呈現出規律性影響。新出磨1 天和出磨后7 天、1 個月水泥配制的混凝土抗壓強度差別不大,但總體變化趨勢比較明顯,即隨水泥出磨后庫存時間延長,混凝土的3 天、7 天和28天抗壓強度都呈下降趨勢。
5 對于每一種水泥,各種聚羧酸外加劑都存在一個最佳摻量。在低摻量范圍,增加聚羧酸外加劑用量,外加劑減水和混凝土坍落度保持效果增加明顯;在高摻量范圍,繼續增加聚羧酸外加劑用量,外加劑減水和混凝土坍落度保持效果相對降低。聚羧酸外加劑過飽和摻加時,水泥漿或混凝土同樣存在泌漿、沉底、和易性變差等問題,但敏感程度比萘系高效減水劑小。在水膠比固定條件下,聚羧酸外加劑摻量變化對混凝土強度影響不大。
6 從反映聚羧酸外加劑的相對減水效果角度看,水泥凈漿與混凝土的試驗結果有較好的一致性。但是,所試驗聚羧酸外加劑的水泥凈漿流動性、保水性及流動度保持性效果好并不表明相應混凝土具有同樣較好的和易性和坍落度保持性能,反之亦然。因此,外加劑的水泥凈漿試驗結果不能完全反映混凝土中外加劑對水泥的適應性,聚羧酸外加劑與水泥的適應性最終必須依據混凝土的試驗結果。
















